易配在线

SMC带逆流功能内置压力表的减压阀 ARG20K-01G1

  • 品牌系列: ARG□K(减压阀)
  • 产品型号: 带逆流功能内置压力表的减压阀 ARG20K-01G1
  • 产品类别: SMC气动元件 - 模块式F.R.L - ARG□K系列(减压阀)
  • 参考价: 惊喜促销中   (详细价格请与客服专员联系)
  • 销售热线:0571-88325497、13758180562
  • 传真:0571-88155351

  • 节假日:

  • 在线客服:客服1客服2客服3客服4
  • 扫一扫,添加微信客服:
加入收藏
产品留言
资料下载

SMC带逆流功能内置压力表的减压阀 ARG20K-01G1的产品简介

日本SMC成立于1959年, SMC现已成为世界级的气动元件研发、制造、销售商。SMC作为世界最著名的气动元件制造和销售的跨国公司,其销售网及生产基地遍布世界。SMC产品以其品种齐全、可靠性高、经济耐用、能满足众多领域不同用户的需求而闻名于世。
SMC气动元件超过11000种基本系列610000余种不同规格主要包括气动洁净设备、电磁阀、各种气动压力、流量、方向控制阀、各种形式的气缸、摆缸、真空设备、气动仪表元件及设备以及其他各种传感器与工业自动化元器件等。

应用范围

气动元件易于使用,清洁安全而且相对较为安静,可以创造更加良好的工作环境,同时节约能源对于环境的影响最小。SMC气动元件几乎运用在所有行业当中,如:汽车、电子、食品、印刷、医药与医疗、机床、石油、化工、轨道交通等多个产品领域。

产品性能说明

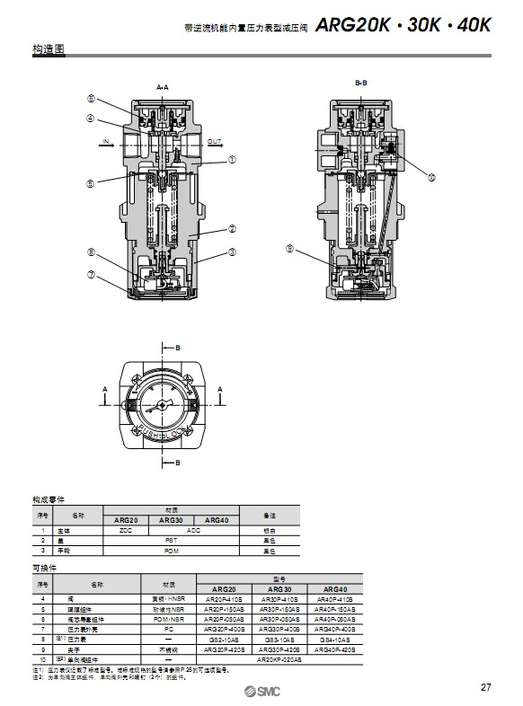
SMC带逆流功能内置压力表的减压阀 ARG□K系列
特长:

各种设置场所下的压力表的可视性提高。

技术参数